LOGO OA教程 ERP教程 模切知识交流 PMS教程 CRM教程 开发文档 其他文档  
 
网站管理员

[点晴模切ERP]仓库收货操作SOP流程,制度

admin
2025年3月26日 0:26 本文热度 2287

一、目的

为规范仓库收货流程,确保货物准确、安全、高效地接收和入库,特制定本制度。
二、适用范围
本制度适用于公司所有仓库的货物接收与入库操作。
三、职责分工
(一)仓库管理员
1. 负责接收货物通知,做好收货准备工作。
2. 负责清点货物数量,核对货物信息。
3. 负责填写收货单,记录货物相关信息。
4. 负责将货物存放到指定库位,并做好标识。
5. 负责异常情况的初步处理,并及时上报。
6. 负责完成入库操作,更新库存信息。
(二)仓库搬运人员
1. 负责货物的卸载工作。
2. 协助仓库管理员清点货物数量。
3. 负责搬运货物至指定库位。
(三)质检人员
1. 负责对货物进行质量检验,确保货物符合质量标准。
2. 负责填写质量检验报告,记录检验结果。
(四)采购部门
1. 负责审核货物数量和质量问题。
2. 负责与供应商沟通协调,处理货物数量不符或质量不合格的情况。
3. 负责跟踪问题货物的处理进度,确保问题得到妥善解决。
(五)仓库文员
1. 负责将收货信息录入仓库管理系统。
2. 负责整理和归档收货单、质量检验报告等相关单据。
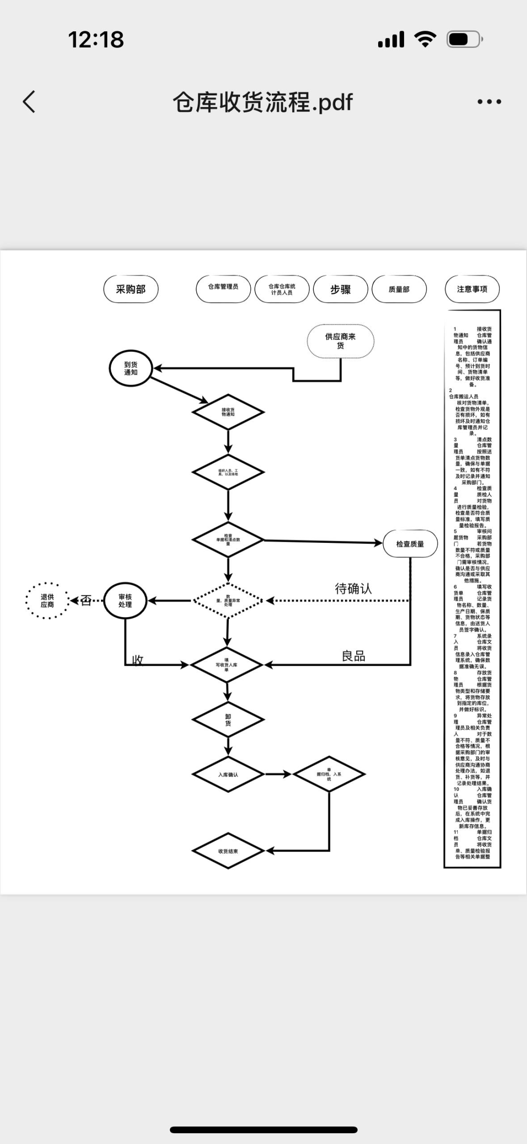
四、操作流程
(一)接收货物通知
1. 仓库管理员在收到货物通知后,需仔细核对通知中的货物信息,包括供应商名称、订单编号、预计到货时间、货物清单等。
2. 根据货物信息,提前准备好卸货场地、搬运工具及相关设备,确保收货工作顺利进行。
(二)卸货
1. 仓库搬运人员在货物到达后,按照送货单核对货物清单,检查货物外观是否有损坏、变形、泄漏等异常情况。
2. 若发现货物外观异常,应立即通知仓库管理员,并详细记录异常情况,拍照留存证据。
3. 按照安全操作规程进行卸货作业,确保货物和人员安全。
(三)清点数量
1. 仓库管理员根据送货单清点货物数量,确保实际到货数量与单据一致。
2. 若发现货物数量不符,应立即记录具体情况,包括短缺或溢出的数量、货物名称、规格等,并及时通知采购部门进行审核。
(四)检查质量
1. 质检人员对货物进行质量检验,检查货物是否符合质量标准,包括外观、尺寸、性能、包装等方面。
2. 检验完成后,填写质量检验报告,详细记录检验结果,包括合格项目、不合格项目及原因等。
3. 若发现货物质量不合格,应立即通知仓库管理员和采购部门,并妥善保存不合格货物,等待进一步处理。
(五)审核问题货物
1. 采购部门在接到仓库管理员或质检人员关于货物数量或质量问题的通知后,需及时对问题情况进行审核。
2. 审核内容包括货物数量差异的原因、质量不合格的具体情况、供应商的信誉和过往合作记录等。
3. 根据审核结果,采购部门决定是否与供应商沟通协商处理办法,如退货、补货、换货、折扣等,并将处理意见通知仓库管理员。
(六)填写收货单
1. 仓库管理员根据实际到货情况填写收货单,详细记录货物名称、规格型号、数量、生产日期、保质期、货物状态、检验结果等信息。
2. 收货单需由送货人员签字确认,如有问题货物的处理意见,也应在收货单上注明。
3. 收货单一式多联,分别留存仓库、采购部门、财务部门等相关部门。
(七)系统录入
1. 仓库文员在货物接收完成后,及时将收货信息录入仓库管理系统,包括货物名称、数量、入库时间、库位信息等。
2. 确保录入信息的准确性和完整性,避免因数据错误导致库存管理混乱。
(八)存放货物
1. 仓库管理员根据货物类型和存储要求,将货物存放到指定的库位。
2. 存放货物时,需按照先进先出的原则,合理安排货物的存放位置,确保货物存放安全、整齐、便于查找。
3. 对货物进行标识,包括货物名称、规格型号、数量、入库日期等信息,便于后续的盘点和发货操作。
(九)异常处理
1. 仓库管理员根据采购部门的处理意见,及时与供应商沟通协商货物数量不符或质量不合格的处理办法。
2. 若需退货,应按照公司规定的退货流程办理退货手续,确保退货过程符合相关法律法规和公司制度要求。
3. 若需补货或换货,应及时与供应商沟通,确定补货或换货的时间和方式,并跟踪补货或换货的进度,确保及时收到合格货物。
4. 对于问题货物的处理结果,需详细记录在收货单及相关单据上,并留存相关证据,以便日后查询和追溯。
(十)入库确认
1. 仓库管理员在货物妥善存放后,在仓库管理系统中完成入库操作,更新库存信息。
2. 确保入库操作的及时性和准确性,避免因延迟入库导致库存数据不准确。
(十一)单据归档
1. 仓库文员负责将收货单、质量检验报告、退货单等相关单据整理归档,按照日期、供应商、货物名称等分类存放。
2. 单据归档应保持整洁、有序,便于日后查询和审计。
五、注意事项
(一)货物接收
1. 仓库管理员应提前了解货物的特性、存储要求及安全注意事项,确保收货过程安全、规范。
2. 在接收货物时,应仔细核对货物信息,避免因疏忽导致货物接收错误。
3. 若发现货物存在异常情况,应及时记录并通知相关人员,不得擅自处理。
(二)数量清点
1. 清点货物数量时,应确保清点的准确性,避免因清点错误导致库存数据不准确。
2. 对于数量较多的货物,可采用分批清点的方法,确保清点工作的高效进行。
3. 若发现货物数量不符,应及时与供应商沟通核实,查明原因并妥善处理。
(三)质量检验
1. 质检人员应严格按照质量标准进行检验,确保检验结果的准确性和可靠性。
2. 对于质量检验不合格的货物,应及时采取隔离措施,避免不合格货物与合格货物混淆。
3. 质量检验报告应详细记录检验结果,包括合格项目、不合格项目及原因等,为后续的处理提供依据。
(四)异常处理
1. 在处理货物数量不符或质量不合格的问题时,应遵循公平、公正、合理的原则,与供应商协商解决。
2. 对于问题货物的处理结果,应及时通知相关部门,并做好记录,确保问题得到妥善解决。
3. 若问题货物涉及金额较大或对公司生产经营造成重大影响,应及时向公司领导汇报,寻求解决方案。
(五)单据管理
1. 所有收货单据应保持完整、清晰,不得随意涂改或撕毁。
2. 单据归档应按照公司规定的档案管理制度执行,确保单据的安全、完整和可查询性。
3. 定期对单据进行盘点和清理,确保单据的准确性,避免出现单据丢失或重复的情况。
六、监督与考核
1. 仓库管理部门应定期对仓库收货操作进行监督检查,确保操作流程的规范性和准确性。
2. 对于违反本制度的行为,应视情节轻重给予相应的处罚,包括警告、罚款、调离岗位等。
3. 对于在收货工作中表现优秀的员工,应给予表彰和奖励,激励员工提高工作积极性和责任心。
七、附则
1. 本制度自发布之日起生效,由仓库管理部门负责解释。
2. 本制度如有未尽事宜,可根据实际情况进行补充和完善。


阅读原文:原文链接



点晴模切ERP更多信息:http://moqie.clicksun.cn,联系电话:4001861886

该文章在 2025/3/27 13:10:27 编辑过
关键字查询
相关文章
正在查询...
点晴ERP是一款针对中小制造业的专业生产管理软件系统,系统成熟度和易用性得到了国内大量中小企业的青睐。
点晴PMS码头管理系统主要针对港口码头集装箱与散货日常运作、调度、堆场、车队、财务费用、相关报表等业务管理,结合码头的业务特点,围绕调度、堆场作业而开发的。集技术的先进性、管理的有效性于一体,是物流码头及其他港口类企业的高效ERP管理信息系统。
点晴WMS仓储管理系统提供了货物产品管理,销售管理,采购管理,仓储管理,仓库管理,保质期管理,货位管理,库位管理,生产管理,WMS管理系统,标签打印,条形码,二维码管理,批号管理软件。
点晴免费OA是一款软件和通用服务都免费,不限功能、不限时间、不限用户的免费OA协同办公管理系统。
Copyright 2010-2025 ClickSun All Rights Reserved